无锡市同康机电有限公司
返回首页 网站地图 联系我们
首 页 关于我们 产品中心 产品领域 服务和支持 如何选择产品 联系我们

产品中心|Product

Mercotac 水银滑环
多通道旋转接头
水 气 液 电 一体旋转综合体
通孔式滑环
防爆滑环
高压滑环
大电流滑环
高速滑环
定制滑环

帽式微型滑环

风力专业滑环

高频滑环

船用滑环

法兰安装滑环

光纤滑环

更多产品..

弹簧式电缆卷筒
合作品牌
 

帽式微型滑环

帽式微型滑环


点击放大
公司名称: 无锡市同康机电有限公司
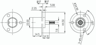
产品型号: SRA73528-12
产品简介:

帽式微型滑环 采用镀金的触电 体积小,结构简单,安装方便,可靠性高 可同时传递2A电流或信号 有6路,12路,24路,36路等标准件可供选择

详细说明

 

电流大小 2A
最大电压 120VDC
最高转速 100RPM
最大通道数 6或12
介电强度 500 VRMS
接触材料 金-金
环境温度 -35℃ -80℃
可选电缆 #28 AWG 特氟龙
电噪 0.06欧姆@6VDC 50mA,10RPM
外形图

 

 

 

 

 

 

 

 

 

最新评论更多评论>>

快速评论

标题: 姓名:
内容:
 
网站地图|联系我们|客户留言|应用领域|管理后台
Copyright 2011 © 同康机电有限公司 - 旋转接头,液压滑环,气动滑环,气动旋转接头,液压旋转接头