无锡市同康机电有限公司
返回首页 网站地图 联系我们
首 页 关于我们 产品中心 产品领域 服务和支持 如何选择产品 联系我们

产品中心|Product

Mercotac 水银滑环
多通道旋转接头
水 气 液 电 一体旋转综合体
通孔式滑环

1M以上内径定制大通孔滑环

25mm通孔滑环

50mm 通孔滑环

70mm或100mm以上 通孔滑环

更多产品..

防爆滑环
高压滑环
大电流滑环
高速滑环
定制滑环
弹簧式电缆卷筒
合作品牌
 

通孔式滑环

25mm通孔滑环


点击放大
公司名称: 无锡市同康机电有限公司
产品型号:
产品简介:

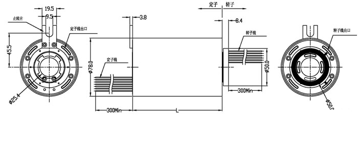
内径25mm, 贵金属丝结构,模块化设计 标准为6路,12路,18路和24路,也可定制更多通道数

详细说明

25系列 通孔滑环

工作转速 250RPM 连续工作
通道数 可选择6.12.18.24路
电缆 0.35mm2 或 1mm2
电压 250 AC/DC
工作温度 -40°C-+80°C
最大电流 5A,也可并联10A使用
电噪 最大0.1欧姆
标准电缆长度 300mm
IP等级 IP55
 
通道数        6    12   18   24
长度L(mm)  8   72    96  120
 
 

最新评论更多评论>>

快速评论

标题: 姓名:
内容:
 
网站地图|联系我们|客户留言|应用领域|管理后台
Copyright 2011 © 同康机电有限公司 - 旋转接头,液压滑环,气动滑环,气动旋转接头,液压旋转接头